Манометры дифференциальные мембранные для измерения низких давлений газов

Тип ТМД-6, серия 30. Предназначены для измерения разности давлений воздуха и незагрязненных, неагрессивных газов.
Область применения: в медицинской, фармацевтической и химической промышленности, а также сфере городского хозяйства в системах вентиляции и кондиционирования воздуха, для контроля сопротивления фильтров, падения давления на диафрагмах, индикаторах разницы давления в помещениях. Также ТМД-6 широко применяются для контроля разности давлений в "чистых помещениях", где критически важно обеспечить разницу давлений между "чистой" областью и окружающей средой.
100
| Единицы измерения | Диапазон | Класс
точности |
| Па | 0…20 / 30 / 60 | 4,0 |
| 3,0 | ||
0…250 / 300 / 500 / 750 / 1000 | 2,0 | |
| кПа | 0…1,5 / 2 / 2,5 / 3 / 4 / 5 / 6 / 7 / 8 / 9 / 10 / 15 / 20 / 25 / 30 |
100
В диапазоне 110-150 кПа резиновая защитная пробка в задней стенке корпуса открывается и обеспечивает вентиляцию внутренней части дифманометра
Окружающая среда: −7…+60
Измеряемая среда: −7…+60
NBR
IP67, алюминий
Алюминий
Алюминий, шкала черная на белом фоне
Органическое
2×NPT1⁄8 (внутренняя)*
* — одна пара сбоку корпуса, одна пара сзади
Вертикальное
Латунный переходник с NPT1⁄8 на наружный штуцер для шланга 6 мм -
Нержавеющая резьбовая заглушка NPT1⁄8 -
Переходник с винтами для установки дифманометра "заподлицо" -
1 год
НСРП.406123.026ТУ
Манометры ТМД-6 серии 30
| Тип | Диаметр корпуса | Класс точности | Диапазон показаний давлений | Резьба присоединения | Цена с НДС, руб. | |
|---|---|---|---|---|---|---|
| 100 | 4,0 | Па | 2×NPT1⁄8 (внутренняя) | 6890 | ||
| 3,0 | ||||||
| 2,0 | 0…250 / 300 / 500 / 750 / 1000 | |||||
| кПа | 0…1,5 / 2 / 2,5 / 3 / 4 / 5 / 6 / 7 / 8 / 9 / 10 / 15 / 20 / 25 / 30 | |||||
Дополнительные опции
| Наименование услуги | Тип | Цена с НДС, руб. |
|---|---|---|
| Указатель рабочего давления (1 маркер / 2 маркера на циферблате), с установкой | ТМД-6-530 | 40 / 50 |
| Индивидуальная шкала | ТМД-6-530 | +10% к стоимости прибора |
| Свидетельство о поверке к нумерованному прибору | ТМД-6-530 | 130 |
| Протокол поверки к нумерованному прибору | ТМД-6-530 | 130 |
| Индивидуальный паспорт на нумерованный прибор | ТМД-6-530 | 100 |
| Первичная заводская поверка | ТМД-6-530 | бесплатно |
| Периодическая поверка | ТМД-6-530 | 620 |

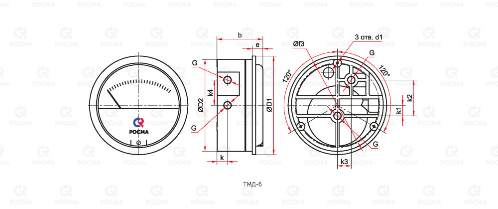
Основные размеры (мм), вес (кг):
| Тип | Ø | D1 | D2 | b | e | k | k1 | k2 | k3 | k4 | G | d1 | f3 | Вес |
|---|---|---|---|---|---|---|---|---|---|---|---|---|---|---|
| ТМД-6 | 100 | 120 | 113 | 56 | 12 | 13 | 13 | 44 | 17 | 31 | 2×NPT1⁄8 | M3 | 105 | 0,46 |
Монтаж/демонтаж дифманометра ТМД-6 производится при отсутствии давления в трубопроводе. Прибор должен быть установлен в нормальном рабочем положении (положение прибора с вертикальным расположением циферблата (допускаемое отклонение ±5° в любую сторону)).
Монтаж прибора к технологическому процессу выполняется поочередным подключением импульсных линий к штуцерам прибора в строгом соответствии со знаками, указанными на корпусе:
- « + » — штуцер камеры для большего давления;
- « - » — штуцер камеры для меньшего давления.
Подвод давления осуществляется медными или алюминиевыми трубопроводами с внутренним диаметром не менее 2,5 мм. Подключение осуществляется к портам с внутренней резьбой NPT1⁄8. Затяжку соединений выполнять до герметизации соединения, соблюдая осторожность, чтобы не допустить повреждения резьбы. Кроме того, можно выполнять подключение эластичных трубок при помощи переходников с NPT1⁄8 на трубный штуцер “елочка”.
ТМД-6 следует нагружать давлением постепенно и не допускать резких скачков давления; не превышать диапазон измерений.
Поверхностный монтаж прибора на монтажной пластине можно выполнять крепежными винтами М3 непосредственно на плоской поверхности, используя крепежные отверстия на окружности диаметром 105 мм на задней поверхности прибора.

Скрытый монтаж (заподлицо с панелью) выполняется при установке прибора в отверстие диаметром 116 мм. При этом крепление прибора выполняется при помощи длинных винтов и набора адаптеров, закрепив адаптеры на корпусе прибора крепежными винтами.

Перед подачей давления измеряемой среды необходимо выполнить следующие действия.
Для измерения положительного давления:
- подсоединить трубку от источника положительного давления к торцевому или радиальному порту высокого давления;
- заглушить пробкой второй, неиспользуемый порт высокого давления;
- выпустить воздух из портов низкого давления в атмосферу.
Для измерения отрицательного давления:
- подсоединить трубку от источника вакуума или отрицательного давления к торцевому или радиальному порту низкого давления;
- заглушить пробкой второй, неиспользуемый порт низкого давления;
- выпустить воздух из портов высокого давления в атмосферу.
Для измерения перепада давления:
- подсоединить трубку от источника давления с большим значением давления к торцевому или радиальному порту высокого давления;
- трубку от источника давления с меньшим значением давления - к торцевому или радиальному порту низкого давления;
- заглушить пробками оба неиспользуемых порта.
Запрещается использовать растворители и абразивы для очистки стекол.
| Тип | манометр дифференциальный | ТМД |
| Модификация | мембранный для измерения низких давлений газов | 6 |
| Диаметр корпуса, мм | 100 | 5 |
| Материал корпуса | алюминий | 3 |
| Материал штуцера-переходника | медный сплав | 0 |
| Диапазон показаний давлений | Па | 0…20 / 30 / 60 / 125 / 250 / 300 / 500 / 750 / 1000 |
| кПа | ||
| Максимальное статическое давление | 100 кПа | |
| Резьба присоединения | 2×NPT1⁄8 |
|
| Класс точности | 2,0 / 3,0 / 4,0 | |
Пример обозначения:
ТМД — 6 — 530 (0−60 Па) 100 кПа. 2×NPT1⁄8. 4,0
| Росма | БД | НПЦ Манометр | Dwyer |
|---|---|---|---|
| ТМД-6 | МДМ 2000 | ДНМ-120 | Magnehelic 2000 |