Манометры дифференциальные мембранные газовые

Тип ТМД-4, серия 21. Предназначены для измерения разности давлений незагрязненных, неагрессивных газов.
Область применения: системы газоснабжения промышленных предприятий и коммунальных объектов ЖКХ.
90
1,5
| Единицы измерения | Диапазон | Максимальное статическое давление |
| кПа | 0… | 1,6 МПа |
| МПа | 0...1 / 1,6 |
Кратковременная нагрузка: 110% шкалы
Окружающая среда: −40…+70
Измеряемая среда: −30…+60
Нержавеющая сталь 08Х17Н13М2
Медный сплав
IP65, нержавеющая сталь 08Х17Н13М2
Нержавеющая сталь 08Х17Н13М2
Алюминий, шкала черная на белом фоне
Органическое, безопасное
2×M12×1,5
* — под заказ другие резьбы
Без вентильного блока
С использованием соединительных рукавов
С трехвентильным блоком 3ВБ
Нержавеющая сталь 08Х18Н10
1 год
НСРП.406123.006ТУ
Манометры ТМД-4 серии 21
| Тип | Диаметр корпуса | Класс точности | Исполнение | Диапазон показаний давлений, кПа | Резьба присоединения | Присоединение (расположение штуцера) | Цена с НДС, руб. |
|---|---|---|---|---|---|---|---|
| ТМД-4-421 | 90 | 1,5 | IP65 | 0…1,6 / 2,5 / 4 / 6 / 10 / 16 / 25 / 40 / 60 | 2×M12×1,5 | радиальное | 24220 |
| 0…100 / 250 /
400 / 600 / 1000 / 1600 | 34640 |
Дополнительные опции
| Наименование услуги | Тип | Цена с НДС, руб. |
|---|---|---|
| Указатель рабочего давления (1 маркер / 2 маркера на циферблате), с установкой | ТМД-4-421 | 40 / 50 |
| Индивидуальная шкала | ТМД-4-421 | +10% к стоимости прибора |
| Свидетельство о поверке к нумерованному прибору | ТМД-4-421 | 130 |
| Протокол поверки к нумерованному прибору | ТМД-4-421 | 130 |
| Индивидуальный паспорт на нумерованный прибор | ТМД-4-421 | 100 |
| Нанесение на циферблат индивидуальных знаков | ТМД-4-421 | 25 |
| Первичная заводская поверка | ТМД-4-421 | бесплатно |
| Периодическая поверка | ТМД-4-421 | 180 |
| Пломбировка манометра (под заказ) | ТМД-4-421 | 105 |
| Ремонт | ТМД-4-421 | от 210 |
| Очистка прибора от загрязнений (мазут, краска и пр.) | ТМД-4-421 | индивидуально |

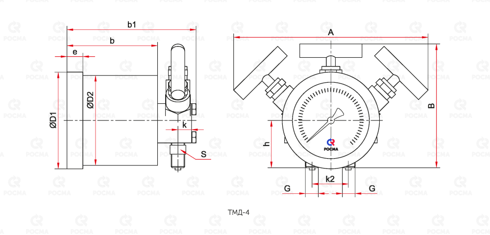
Основные размеры (мм), вес (кг):
| Тип | Ø | D1 | D2 | b | b1 | e | h | k | k2 | S | G | A | B | Вес |
|---|---|---|---|---|---|---|---|---|---|---|---|---|---|---|
| 90 | 86 | 80 | 80 | 114 | 14 | 42 | 12 | 32 | 14 | 2×M12×1,5 | 2,86 |

Монтаж/демонтаж дифманометра ТМД производится при отсутствии давления в трубопроводе. Прибор должен быть установлен либо в нормальном рабочем положении (положение прибора с вертикальным расположением циферблата (допускаемое отклонение ±5° в любую сторону)), либо в соответствии со знаком рабочего положения, указанным на циферблате.
Монтаж дифманометра ТМД к технологическому процессу выполняется поочередным подключением импульсных линий к штуцерам прибора с помощью гаечного ключа.
Прикладывать усилие к корпусу прибора запрещается. Крутящий момент при монтаже не должен превышать 15 Н∙м. Подвод давления осуществляется трубопроводами с внутренним диаметром не менее 3 мм.
ТМД следует нагружать давлением постепенно и не допускать резких скачков давления; не превышать диапазон измерений.
Рекомендуемый вариант монтажа - в комплекте со штатным трехвентильным блоком 3ВБ.

При подключении дифференциального манометра с вентильным блоком следует выполнять указанные операции в следующем порядке:
- Начальное положение: плюсовой и минусовой вентили трехвентильного блока закрыты; уравнивающий вентиль открыт.
- При достижении рабочего давления, плавно, поворотом рукоятки до упора, полностью открыть плюсовой вентиль.
- Закрыть уравнивающий вентиль.
- Затем, также медленно, плавно открыть минусовой вентиль.
Отключение дифференциального манометра с вентильным блоком от процесса производится в обратном порядке.
Для герметизации цилиндрической резьбы М12х1,5 рекомендуется использовать плоские уплотнительные кольца.
Запрещается использовать растворители и абразивы для очистки стекол.
ТМД необходимо исключить из эксплуатации и сдать в ремонт в случае, если:
- прибор не работает;
- стекло разбито или повреждено;
- стрелка движется скачками или не возвращается к нулевой отметке;
- погрешность показаний превышает допустимое значение.
При отсутствии давления стрелка должна находиться в пределах участка нулевой отметки. Отклонение стрелки за пределы этого участка свидетельствует о неисправности прибора.
| Тип | манометр дифференциальный | ТМД |
| Модификация | газовый | 4 |
| Диаметр корпуса, мм | 90 | 4 |
| Материал корпуса | нержавеющая сталь | 2 |
| Материал штуцеров | нержавеющая сталь | 1 |
| Положение штуцеров | радиальное | Р |
| Диапазон показаний давлений | кПа | 0…1,6 / 2,5 / 4 / 6 / |
| МПа | 0...1 / 1,6 | |
| Максимальное статическое давление | 1,6 МПа | |
| Резьба присоединения | 2×М12×1,5 | |
| Класс точности | 1,5 | |
| Вентильный блок | Без вентильного блока | – |
| 3-вентильный блок | 3ВБ | |
Пример обозначения:
ТМД – 4 – 421Р (0–60 кПа) 1,6 МПа. 2×М12×1,5. 1,5
| Росма | БД | Раско |
|---|---|---|
| ТМД-4 | ДСП-80 БД | ДСП-80В |

