Манометры дифференциальные мембранные с высокой перегрузочной способностью

Тип ТМД-2, серия 21. Предназначены для измерения разности давлений незагрязненных, неагрессивных и агрессивных жидкостей, газов и паров.
Подходят для применений с большими перегрузками по дифференциальному и/или рабочему (статическому) давлению. Особенность ТМД-2 — это возможность работы в системах с избыточным давлением до 40МПа.
Прибор поставляется «сухой» (готовый к гидрозаполнению) или заполненный глицерином / силиконом по требованию заказчика.
Область применения: перерабатывающая промышленность, нефтяная и нефтехимическая промышленность.
100, 150
1,5 / 2,5
| Единицы измерения | Диапазон | Максимальное статическое давление |
| кПа | 0…10 | 10 МПа |
| 0…16 / 25 / 40 / 60 / 100 / 160 / 250 / 400* / 600* | 10 / 25 / 40 МПа | |
| МПа | 0...1* / 1,6* |
* — класс точности 2,5
Кратковременная нагрузка: 110% шкалы
Окружающая среда:
−60…+65 (без заполнения)
−20…+65 (с заполнением глицерином ПК-94)
−60…+65 (с заполнением силиконом ПМС-50)
Измеряемая среда:
−60…+100 (без заполнения)
−20…+100 (с заполнением глицерином ПК-94)
−60…+100 (с заполнением силиконом ПМС-50)
Нержавеющая сталь 08Х17Н13М2
IP65, нержавеющая сталь 08Х17Н13М2
Нержавеющая сталь 08Х17Н13М2
Алюминий, шкала черная на белом фоне
Минеральное многослойное безопасное — триплекс
2хG½
** — под заказ М20×1,5
Без вентильного блока
С использованием соединительных рукавов
С трехвентильным блоком 3ВБ
С пятивентильным блоков 5ВБ
Нержавеющая сталь 08Х18Н10
1 год
НСРП.406123.006ТУ
Манометры ТМД-2 серии 21
| Тип | Диаметр корпуса | Класс точности | Исполнение | Диапазон показаний давлений, кПа | Максимальное статическое давление | Резьба присоединения | Присоединение (расположение штуцера) | Цена с НДС, руб. |
|---|---|---|---|---|---|---|---|---|
| ТМД-2-521 | 100 | 1,5 / 2,5 | IP65 | 0…10 | 10 МПа | 2×G½ | радиальное | 65330 |
| 0…16 / 25 / 40 / 60 / 100 / 160 / 250 / 400* / 600* / 1000* / 1600* | ||||||||
| 0…16 / 25 / 40 / 60 / 100 / 160 / 250 / 400* / 600* / 1000* / 1600* | 25 МПа | 75420 | ||||||
| 40 МПа | 77060 | |||||||
под ГЗ | 0…10 | 10 МПа | 68620 | |||||
| 0…16 / 25 / 40 / 60 / 100 / 160 / 250 / 400* / 600* / 1000* / 1600* | ||||||||
| 0…16 / 25 / 40 / 60 / 100 / 160 / 250 / 400* / 600* / 1000* / 1600* | 25 МПа | 79210 | ||||||
| 40 МПа | 80910 | |||||||
| ТМД-2-621 | 150 | 1,5 / 2,5 | IP65 | 0…10 | 10 МПа | 2×G½ | радиальное | 66780 |
| 0…16 / 25 / 40 / 60 / 100 / 160 / 250 / 400* / 600* / 1000* / 1600* | ||||||||
| 0…16 / 25 / 40 / 60 / 100 / 160 / 250 / 400* / 600* / 1000* / 1600* | 25 МПа | 78420 | ||||||
| 40 МПа | 79530 | |||||||
| 0…10 | 10 МПа | 70125 | ||||||
| 0…16 / 25 / 40 / 60 / 100 / 160 / 250 / 400* / 600* / 1000* / 1600* | ||||||||
| 0…16 / 25 / 40 / 60 / 100 / 160 / 250 / 400* / 600* / 1000* / 1600* | 25 МПа | 82340 | ||||||
| 40 МПа | 83505 |
* — только класс точности 2,5
Дополнительные опции
| Наименование услуги | Тип | Цена с НДС, руб. |
|---|---|---|
| Указатель предельных значений (нержавеющая сталь) | ТМД-2-521 | 120 |
| Указатель рабочего давления (1 маркер / 2 маркера на циферблате), с установкой | ТМД-2-521, -621 | 40 / 50 |
| Исполнение штуцера с резьбой NPT | ТМД-2-521, -621 | +10% к стоимости прибора |
| Индивидуальная шкала | ТМД-2-521, -621 | +10% к стоимости прибора |
| Свидетельство о поверке к нумерованному прибору | ТМД-2-521, -621 | 130 |
| Протокол поверки к нумерованному прибору | ТМД-2-521, -621 | 130 |
| Индивидуальный паспорт на нумерованный прибор | ТМД-2-521, -621 | 100 |
| Нанесение на циферблат индивидуальных знаков | ТМД-2-521, -621 | 25 |
| Первичная заводская поверка | ТМД-2-521, -621 | бесплатно |
| Периодическая поверка | ТМД-2-521, -621 | 180 |
| Пломбировка манометра (под заказ) | ТМД-2-521 | 65 |
| ТМД-2-621 | 105 | |
| Ремонт | ТМД-2-521, -621 | от 210 |
| Очистка прибора от загрязнений (мазут, краска и пр.) | ТМД-2-521, -621 | индивидуально |
Стоимость гидрозаполнения:
| Диаметр корпуса, мм | Объем жидкости в приборе, мл | Цена заполнения прибора, с НДС, руб |
Цена слива прибора, с НДС, руб. |
||
|---|---|---|---|---|---|
| глицерин ПК-94 | силикон ПМС-50 | глицерин ПК-94 | силикон ПМС-50 | ||
| 100 | 260 | 105 | 235 | 145 | 420 |
| 150 / 160 | 640 | 305 | 750 | ||

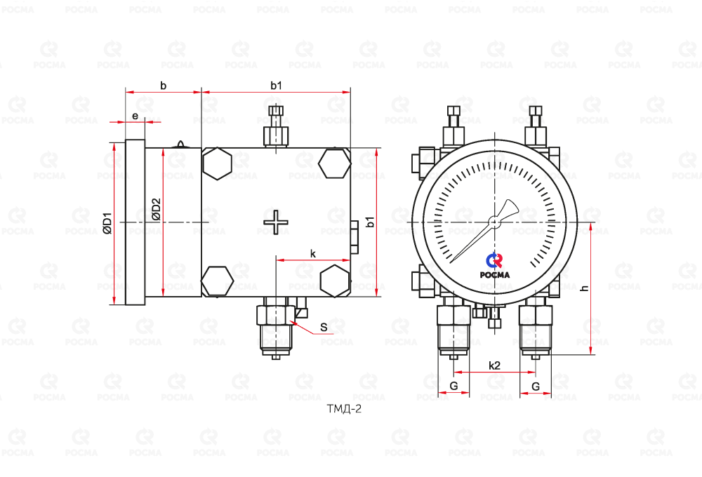
Основные размеры (мм), вес (кг), объем (мл):
| Тип | Ø | D1 | D2 | b | e | h | k | k2 | S | G | Вес | Вес с заполнением | Объем заполняемой жидкости | |
|---|---|---|---|---|---|---|---|---|---|---|---|---|---|---|
| ТМД-2-521Р | 100 | 111 | 101 | 52 | 100 | 13 | 87 | 50 | 54 | 22 | 2хG½ | 6,00 | 6,31 | 260 |
| 150 | 149 | 147 | 110 | 18 | 91 | 55 | 9,32 | 10,19 | 640 |


После монтажа необходимо открыть клапан на пробке прибора (положение OPEN) или проколоть/срезать специальный выступ (в зависимости от типа пробки).
Монтаж/демонтаж дифманометра ТМД производится при отсутствии давления в трубопроводе. Прибор должен быть установлен либо в нормальном рабочем положении (положение прибора с вертикальным расположением циферблата (допускаемое отклонение ±5° в любую сторону)), либо в соответствии со знаком рабочего положения, указанным на циферблате.
Монтаж дифманометра ТМД к технологическому процессу выполняется поочередным подключением импульсных линий к штуцерам прибора с помощью гаечного ключа.
Крепление дифманометра к трубе осуществляется с помощью монтажного кронштейна (в комплекте).

Установка кронштейна для крепления к горизонтальной трубе

Установка кронштейна для крепления к вертикальной трубе
Прикладывать усилие к корпусу прибора запрещается. Крутящий момент при монтаже не должен превышать 20 Н∙м. Подвод давления осуществляется трубопроводами с внутренним диаметром не менее 3 мм.
ТМД следует нагружать давлением постепенно и не допускать резких скачков давления; не превышать диапазон измерений.
Рекомендуемый вариант монтажа - в комплекте с трехвентильным блоком 3ВБ или пятивентильным блоком 5ВБ.

При подключении дифференциального манометра с вентильным блоком следует выполнять указанные операции в следующем порядке:
- Начальное положение: плюсовой и минусовой вентили вентильного блока закрыты; уравнивающий вентиль открыт.
- При достижении рабочего давления, плавно, поворотом рукоятки до упора, полностью открыть плюсовой вентиль.
- Закрыть уравнивающий вентиль.
- Затем, также медленно, плавно открыть минусовой вентиль.
Отключение дифференциального манометра с вентильным блоком от процесса производится в обратном порядке.
Отличие в конструкции 5ВБ от 3ВБ — наличие двух дополнительных вентилей для дренажа/слива рабочей среды.
Для герметизации цилиндрической резьбы G½ рекомендуется использовать плоские уплотнительные кольца.
Запрещается использовать растворители и абразивы для очистки стекол.
После монтажа и перед вводом в эксплуатацию прибора с гидрозаполнением корпуса необходимо открыть клапан на пробке прибора (положение OPEN) или проколоть/срезать специальный выступ (в зависимости от типа пробки).

ТМД необходимо исключить из эксплуатации и сдать в ремонт в случае, если:
- прибор не работает;
- стекло разбито или повреждено;
- стрелка движется скачками или не возвращается к нулевой отметке;
- погрешность показаний превышает допустимое значение.
При отсутствии давления стрелка должна находиться в пределах участка нулевой отметки. Отклонение стрелки за пределы этого участка свидетельствует о неисправности прибора.
| Тип | манометр дифференциальный | ТМД |
| Модификация | с высокой перегрузочной способностью | 2 |
| Диаметр корпуса, мм | 100 | 5 |
| 150 | 6 | |
| Материал корпуса | нержавеющая сталь | 2 |
| Материал штуцера | нержавеющая сталь | 1 |
| Положение штуцеров | радиальное | Р |
| Диапазон показаний давлений | кПа | 0...10 / 16 / 25 / 40 / 60 / 100 / 160 / 250 / 400 / 600 |
| МПа | 0...1 / 1,6 | |
| Максимальное статическое давление | 10 / 25 / 40 МПа | |
| Резьба присоединения | 2хG½ | |
| Класс точности | 1,5 / 2,5 | |
| Гидрозаполнение | − | − |
| без заполнения | под ГЗ | |
| силикон | Силикон | |
| глицерин | Глицерин | |
| Вентильный блок | Без вентильного блока | – |
| 3-вентильный блок | 3ВБ | |
| 5-вентильный блок | 5ВБ | |
Пример обозначения:
ТМД – 2 – 521Р (0–10 кПа) 10 МПа. 2хG½. 1,5
| Росма | Wika | БД | Юмас |
|---|---|---|---|
| ТМД-2 | 732.14 733.14 | МДМ | ДП100НН ДП160НН, модель МБ |




