Манометры дифференциальные мембранные

Тип ТМД-1, серия 21. Предназначены для измерения разности давлений незагрязненных, неагрессивных и агрессивных жидкостей, газов и паров. Особенность ТМД-1 — это полностью сварная рабочая камера, сконструированная таким образом, что с измеряемой средой контактирует только нержавеющая сталь, без каких-либо уплотнений, что позволяет применять такие манометры на агрессивные среды.
Прибор поставляется «сухой» (готовый к гидрозаполнению) или заполненный глицерином / силиконом по требованию заказчика.
Область применения: контроль работы насосов, контроль состояния фильтров, измерение уровня в закрытых резервуарах, обрабатывающая промышленность, нефтехимическая и химическая промышленность.
100, 160
1,5
| Единицы измерения | Диапазон | Максимальное статическое давление |
| кПа | 0…1 / 1,6 / 2,5 / 4 / 6 / 10 / 16 / 25 / 40 / 60 / 100 / 160 / 250 / 400 | Диапазон х10 |
| 0…600 | 4 МПа | |
| МПа | 0...1 / 1,6 / 2,5 |
Кратковременная нагрузка: 110% шкалы
Окружающая среда:
−20…+65 (без заполнения)
−20…+65 (с заполнением глицерином ПК-94)
−20…+65 (с заполнением силиконом ПМС-50)
Измеряемая среда:
−20…+100 (без заполнения)
−20…+100 (с заполнением глицерином ПК-94)
−20…+100 (с заполнением силиконом ПМС-50)
Нержавеющая сталь 08Х17Н13М2
IP54, IP65*
Нержавеющая сталь 08Х17Н13М2
* — для приборов с ГЗ
Нержавеющая сталь 08Х17Н13М2
Алюминий, шкала черная на белом фоне
Минеральное многослойное безопасное — триплекс
2×G¼ (внутренняя), 2×G½ (внутренняя)**
** — под заказ
Без вентильного блока
С использованием соединительных рукавов
С трехвентильным блоком 3ВБ и дополнительным комплектом переходников для подключения
С пятивентильным блоком 5ВБ и дополнительным комплектом переходников для подключения
Нержавеющая сталь 08Х18Н10
1 год
НСРП.406123.006ТУ
Манометры ТМД-1 серии 21
| Тип | Диаметр корпуса | Класс точности | Исполнение | Диапазон показаний давлений, кПа | Резьба присоединения | Присоединение (расположение штуцера) | Цена с НДС, руб. |
|---|---|---|---|---|---|---|---|
| ТМД-1-521 | 100 | 1,5 | IP54 | 0…1 / 1,6 / 2,5 / 4 / 6 | 2×G¼ | радиальное | 63660 |
| ТМД-1-521 | 0…10 / 16 / 25 / 40 / 60 / 100 / 250 /
400 / 600 / 1000 / 1600 / 2500 | 50620 | |||||
| IP65 | 0…10 / 16 / 25 / 40 / 60 / 100 / 250 / 400 / 600 / 1000 / 1600 / 2500 | 70125 | |||||
| 160 | 1,5 | IP54 | 0…1 / 1,6 / 2,5 / 4 / 6 | 2×G¼ | радиальное | 65890 | |
| 0…10 / 16 / 25 / 40 / 60 / 100 / 250 / 400 / 600 / 1000 / 1600 / 2500 | 52240 |
* — под гидрозаполнение
Дополнительные опции
| Наименование услуги | Тип | Цена с НДС, руб. |
|---|---|---|
| Указатель предельных значений (нержавеющая сталь) | ТМД-1-521, -621 | 120 |
| Указатель рабочего давления (1 маркер / 2 маркера на циферблате), с установкой | ТМД-1-521, -621 | 40 / 50 |
| Индивидуальная шкала | ТМД-1-521, -621 | +10% к стоимости прибора |
| Свидетельство о поверке к нумерованному прибору | ТМД-1-521, -621 | 130 |
| Протокол поверки к нумерованному прибору | ТМД-1-521, -621 | 130 |
| Индивидуальный паспорт на нумерованный прибор | ТМД-1-521, -621 | 100 |
| Нанесение на циферблат индивидуальных знаков | ТМД-1-521, -621 | 25 |
| Первичная заводская поверка | ТМД-1-521, -621 | бесплатно |
| Периодическая поверка | ТМД-1-521, -621 | 180 |
| Пломбировка манометра (под заказ) | ТМД-1-521, -621 | 105 |
| Ремонт | ТМД-1-521, -621 | от 210 |
| Очистка прибора от загрязнений (мазут, краска и пр.) | ТМД-1-521, -621 | индивидуально |
Стоимость гидрозаполнения:
| Диаметр корпуса, мм | Объем жидкости в приборе, мл | Цена заполнения прибора, с НДС, руб |
Цена слива прибора, с НДС, руб. |
||
|---|---|---|---|---|---|
| глицерин ПК-94 | силикон ПМС-50 | глицерин ПК-94 | силикон ПМС-50 | ||
| 100 | 290 | 90 | 235 | 145 | 420 |

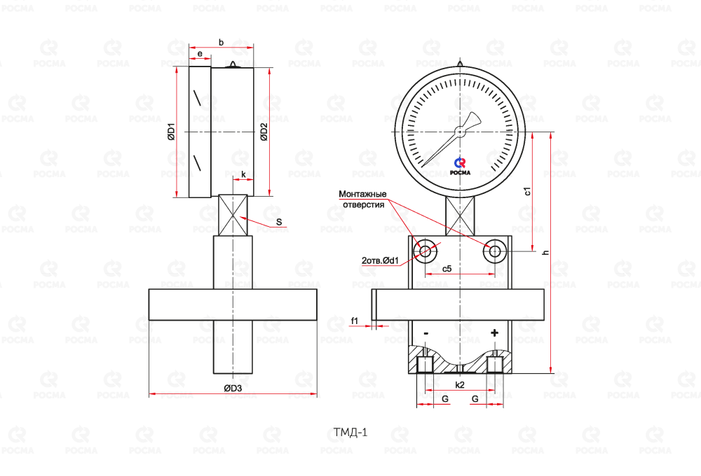
Основные размеры (мм), вес (кг), объём (мл):
| Тип | Ø | D1 | D2 | D3 | b | e | h | k | k2 | S | G | d1 | f1 | c1 | c5 | Вес | Вес с заполнением | Объем заполняемой жидкости |
|---|---|---|---|---|---|---|---|---|---|---|---|---|---|---|---|---|---|---|
| ТМД-1-521Р* | 100 | 101 | 99 | 130 | 50 | 17 | 186 | 16 | 54 | 22 | 2×G¼ 2×G½ | 8,3 | 3,5 | 92 | 54 | 3,32 | 3,67 | 290 |
| 75 | 174 | 37 | 88 | 37 | 1,79 | 2,14 | ||||||||||||
| ТМД-1-621Р* | 160 | 160 | 158 | 130 | 205 | 54 | 118 | 54 | 3,67 | 4,88 | 770 | |||||||
| 75 | 193 | 37 | 114 | 37 | 2,14 | 3,35 |
* — исполнение для разности давлений от 0…1 кПа до 0…10 кПа
** — исполнение для разности давлений от 0…16 кПа до 0…2,5 МПа


После монтажа необходимо открыть клапан на пробке прибора (положение OPEN) или проколоть/срезать специальный выступ (в зависимости от типа пробки).
Монтаж/демонтаж дифманометра ТМД производится при отсутствии давления в трубопроводе. Прибор должен быть установлен либо в нормальном рабочем положении (положение прибора с вертикальным расположением циферблата (допускаемое отклонение ±5° в любую сторону)), либо в соответствии со знаком рабочего положения, указанным на циферблате.
Монтаж дифманометра ТМД к технологическому процессу выполняется поочередным подключением импульсных линий к штуцерам прибора с помощью гаечного ключа.
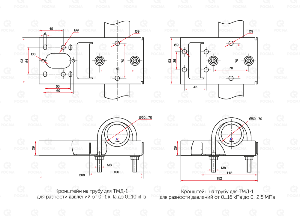
Крепление дифманометра к трубе осуществляется с помощью монтажного кронштейна (в комплекте).

Установка кронштейна для крепления к горизонтальной трубе

Установка кронштейна для крепления к вертикальной трубе
Прикладывать усилие к корпусу прибора запрещается. Крутящий момент при монтаже не должен превышать 20 Н∙м (для резьбы G½) и 15 Н∙м (для резьбы G¼). Подвод давления осуществляется трубопроводами с внутренним диаметром не менее 3 мм.
ТМД следует нагружать давлением постепенно и не допускать резких скачков давления; не превышать диапазон измерений.
Рекомендуемый вариант монтажа — в комплекте с трехвентильным блоком 3ВБ или пятивентильным блоком 5ВБ. Для подключения стандартного вентильного блока потребуется комплект переходников, который заказывается отдельно.

При подключении дифференциального манометра с вентильным блоком следует выполнять указанные операции в следующем порядке:
- Начальное положение: плюсовой и минусовой вентили вентильного блока закрыты; уравнивающий вентиль открыт.
- При достижении рабочего давления, плавно, поворотом рукоятки до упора, полностью открыть плюсовой вентиль.
- Закрыть уравнивающий вентиль.
- Затем, также медленно, плавно открыть минусовой вентиль.
Отключение дифференциального манометра с вентильным блоком от процесса производится в обратном порядке.
Отличие в конструкции 5ВБ от 3ВБ — наличие двух дополнительных вентилей для дренажа/слива рабочей среды.
Для герметизации цилиндрической резьбы (G¼ либо G½) рекомендуется использовать плоские уплотнительные кольца.
Запрещается использовать растворители и абразивы для очистки стекол.
После монтажа и перед вводом в эксплуатацию прибора с гидрозаполнением корпуса необходимо открыть клапан на пробке прибора (положение OPEN) или проколоть/срезать специальный выступ (в зависимости от типа пробки).

ТМД необходимо исключить из эксплуатации и сдать в ремонт в случае, если:
- прибор не работает;
- стекло разбито или повреждено;
- стрелка движется скачками или не возвращается к нулевой отметке;
- погрешность показаний превышает допустимое значение.
При отсутствии давления стрелка должна находиться в пределах участка нулевой отметки. Отклонение стрелки за пределы этого участка свидетельствует о неисправности прибора.
| Тип | манометр дифференциальный | ТМД |
| Модификация | мембранный дифманометр | 1 |
| Диаметр корпуса, мм | 100 | 5 |
| 160 | 6 | |
| Материал корпуса | нержавеющая сталь | 2 |
| Материал штуцеров | нержавеющая сталь | 1 |
| Положение штуцеров | радиальное | Р |
| Диапазон показаний давлений | кПа | 0…1 / 1,6 / 2,5 / 4 / 6 / 10 / 16 / 25 / 40 / 60 / 100 / 160 / 250 / 400 / 600 |
| МПа | 0...1 / 1,6 / 2,5 | |
| Максимальное статическое давление | кПа 0…1 / 1,6 / 2,5 / 4 / 6 / 10 / 16 / 25 / 40 / 60 / 100 / 160 / 250 / 400 | Диапазон х10 |
| кПа 0…600 | 4 МПа | |
| МПа 0...1 / 1,6 / 2,5 | 4 МПа | |
| Резьба присоединения | 2×G¼ (внутренняя) | |
| Класс точности | 1,5 | |
| Гидрозаполнение | IP54 | − |
| IP65 | без заполнения (под ГЗ) | |
| IP65 | силикон | |
| IP65 | глицерин | |
| Вентильный блок | Без вентильного блока | – |
| 3-вентильный блок | 3ВБ | |
| 5-вентильный блок | 5ВБ | |
Пример обозначения:
ТМД – 1 – 521Р (0–2,5 МПа) 4 МПа. 2×G¼. 1,5
| Росма | Wika | БД |
|---|---|---|
| ТМД-1 | 732.51 733.51 | МДМ-100Р МДМ-160Р |





