Двухвентильный игольчатый клапан КЗИТ с тестовым портом

Двухвентильный игольчатый клапан КЗИТ с тестовым портом
1 из 2
Двухвентильный игольчатый клапан КЗИТ - это запорное устройство, которое предназначено для подключения манометра к магистрали с рабочей средой.
Клапан позволяет производить сброс давления и слив рабочей среды при необходимости демонтажа средства измерения, а также обеспечивает подключение контрольного манометра с автономным клапаном включения без остановки технологической линии.
Максимальное давление, МПа
60
Диапазон рабочих температур, °С
−40…+200
Резьба присоединения
G½ или M20×1,5
Исполнение (резьба)
Внутренняя (накидная гайка) / наружная
Резьба тестового порта
наружная M20×1,5 с заглушкой
Материал корпуса
Нержавеющая сталь
Материал уплотнения
графит
опция - PTFE
Максимальный вес, кг
0,85
Цена
| Наименование | Резьба присоединения | Цена с НДС, руб. |
|---|---|---|
| Двухвентильный игольчатый клапан КЗИТ с тестовым портом, нержавеющая сталь | внутренняя, накидная гайка G½ — наружная G½ | 13317 |
| внутренняя, накидная гайка М20×1,5 — наружная М20×1,5 | 15250 |
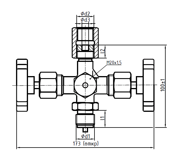
Чертежи

Основные размеры (мм)
| Тип | Ø d1 | Ø d2 | Ø d3 | l1 | l2 |
|---|---|---|---|---|---|
| Клапан КЗИТ-60н-А-G½/G½ | G½ | G½ | 7 | 20 | 17 |
| Клапан КЗИТ-60н-А-М20х1,5/М20х1,5 | М20×1,5 | М20×1,5 |
Карта заказа
| Тип | Клапан КЗИТ | |
| Максимальное давление, МПа | 60 | |
| Материал | нержавеющая сталь | н |
| Исполнение (тип присоединения) | накидная гайка | А |
| Резьба присоединения | G½ - G½ | G½/G½ |
| M20x1,5 - M20x1,5 | M20x1,5/M20x1,5 | |
Пример обозначения:
Клапан КЗИТ-60н-А-М20х1,5/М20х1,5
Это оборудование используют с КИП
Стандартное исполнение, модель 2
Стандартное исполнение
С повышенным классом точности
С повышенной пылевлагозащищенностью
С электроконтактной приставкой
Осевые с электроконтактной приставкой
С электроконтактной приставкой с повышенной пылевлагозащищенностью
Котловые
Манометры точных измерений
Виброустойчивые
Коррозионностойкие виброустойчивые
Коррозионностойкие виброустойчивые, безопасное исполнение
Коррозионностойкие виброустойчивые, с защитой от перегрузки
Коррозионностойкие виброустойчивые с электроконтактной приставкой
Датчики давления РПД-И (РПД-В, РПД-ИВ)
Датчики РПД-Д дифференциального давления