Манометры виброустойчивые

Тип ТМ (ТВ, ТМВ), серия 20. Промышленный манометр в корпусе из нержавеющей стали с возможностью гидрозаполнения (виброустойчивый). Применяется для измерения давления неагрессивных к медным сплавам жидких и газообразных, не вязких и не кристаллизующихся измеряемых сред с температурой до 150 °C. Этот тип манометра может использоваться в условиях повышенной вибрации и при измерении переменного давления. Повышенная устойчивость к воздействию окружающей среды — степень защиты прибора IP65.
При измерении давления с высокими динамическими нагрузками, прибор необходимо заполнить глицерином или силиконом
Прибор поставляется "сухой" (готовый к гидрозаполнению) или заполненный глицерином / силиконом (виброустойчивый) по требованию заказчика. Температура окружающей среды при эксплуатации манометров с заполнением глицерином от -20 до +60 °C, силиконом — от -60 до +60 °C.
Область применения: теплоснабжение, водоснабжение, горнодобывающая промышленность, энергетика, машиностроение.
50, 63, 100, 150, 160*
* — под заказ
| Ø50 | 2,5 |
| Ø63 | 1,5 |
| Ø100, 150, 160 |
1,0 |
| ТМ | Ø50 | 0…0,1 / 0,16 / 0,25 / 0,4 /
0,6 / 1 / 1,6 / 2,5 / 4 / 6 /
10 / 16 / 25 / 40 |
| Ø63, 100 | 0…0,1 / 0,16 / 0,25 / 0,4 / 0,6 / 1 / 1,6 / 2,5 / 4 / 6 / 10 / 16 / 25 / 40 / 60 / 100** | |
| Ø150, 160 | 0…0,1 / 0,16 / 0,25 / 0,4 / 0,6 / 1 / 1,6 / 2,5 / 4 / 6 / 10 / 16 / 25 / 40 / 60*** | |
| ТВ | Ø63, 100, 150, 160 | −0,1…0 |
| ТМВ | −0,1…0,15 / 0,3 / 0,5 / 0,9 / 1,5 / 2,4 |
** — только для радиальных Ø63
*** — только для радиального исполнения
Постоянная нагрузка: ¾ шкалы
Переменная нагрузка: ⅔ шкалы
Кратковременная нагрузка: 110% шкалы, 130% шкалы для ТМ-520 и ТМ-620
Окружающая среда:
−60…+60 (без заполнения)
−20…+60 (с заполнением глицерином ПК-94)
−60…+60 (с заполнением силиконом ПМС-50)
Измеряемая среда:
−50…+150 (без заполнения)
−20…+100 (с заполнением глицерином ПК-94)
−50…+150 (с заполнением силиконом ПМС-50)
IP65, нержавеющая сталь 08Х18Н10
Опция: IP66 (Ø100, 150, 160)
Нержавеющая сталь 08Х18Н10
Ø63 — байонетное (опция)
Ø50, 63 — завальцованное
Ø100, 150, 160 — байонетное
трибко-секторный механизм
Медный сплав
Алюминий, шкала черная на белом фоне
Органическое
Минеральное многослойное безопасное (триплекс) - для ТМ-320Р на 100МПа и, опционально, для Ø63 (байонет), 100, 150, 160
Медный сплав
Радиальное — Ø50, 63, 100, 150, 160
Осевое — Ø50, 63 (кроме 100 МПа), 100
Эксцентрическое — Ø100, 150, 160
| Ø 50, 63 | G¼, M12×1,5 |
| Ø100, 150, 160 |
G½, M20×1,5 |
**** — под заказ другие резьбы
2 года
Группа Д2 по ГОСТ Р 52931;
климатическое исполнение УХЛ
категории 1.1 по ГОСТ 15150
Подробнее
ТУ 4212-001-4719015564-2008
ГОСТ 2405–88
Манометры ТМ серии 20
| Тип | Диаметр корпуса | Класс точности | Диапазон показаний давлений, МПа | Резьба присоединения | Присоединение (расположение штуцера) |
Цена с НДС, руб. |
|---|---|---|---|---|---|---|
| ТМ-220 | 50 | 2,5 | 0…0,1 / 0,16 / 0,25 / 0,4 / 0,6 / 1 / 1,6 / 2,5 / 4 / 6 / 10 | G¼ / М12×1,5 | радиальное | 905 |
| осевое | 1030 | |||||
| 0…16 / 25 / 40 | радиальное | 920 | ||||
| осевое | 1045 | |||||
|
|
63 | 1,5 | 0…0,1 / 0,16 / 0,25 / 0,4 / 0,6 / 1 / 1,6 / 2,5 / 4 / 6 / 10 | G¼ / М12×1,5 | радиальное | 910 |
| осевое | 1100 | |||||
| радиальное байонет | 1070 | |||||
| осевое байонет | 1120 | |||||
| 0…16 / 25 / 40 / 60 | радиальное | 940 | ||||
| осевое | 1120 | |||||
| радиальное байонет | 1090 | |||||
| осевое байонет | 1140 | |||||
| 0…100 | радиальное | 2020 | ||||
|
|
100 | 1 | 0…0,1 / 0,16 / 0,25 / 0,4 / 0,6 / 1 / 1,6 / 2,5 / 4 / 6 / 10 | G½ / М20×1,5 | радиальное | 2805 |
| осевое или эксцентрическое | 2920 | |||||
| 0…16 / 25 / 40 / 60 | радиальное | 2975 | ||||
| осевое или эксцентрическое | 3110 | |||||
|
|
1 | 0…0,1 / 0,16 / 0,25 / 0,4 / 0,6 / 1 / 1,6 / 2,5 / 4 / 6 / 10 | G½ / М20×1,5 |
радиальное | 5410 | |
| эксцентрическое | 5210 | |||||
| 0…16 / 25 / 40 / 60 | радиальное | 5630 | ||||
| 0…16 / 25 / 40 | эксцентрическое | 5440 |
Вакуумметры ТВ серии 20
| Тип | Диаметр корпуса | Класс точности | Диапазон показаний давлений, МПа | Резьба присоединения | Присоединение (расположение штуцера) |
Цена с НДС, руб. |
|---|---|---|---|---|---|---|
|
|
63 | 1,5 | −0,1…0 | G¼ / М12×1,5 | радиальное | 940 |
| осевое | 1120 | |||||
| радиальное байонет | 1285 | |||||
| осевое байонет | 1295 | |||||
|
|
100 | 1 | G½ / М20×1,5 | радиальное | 2865 | |
| осевое или эксцентрическое | 3115 | |||||
|
|
1 | радиальное | 5520 | |||
| эксцентрическое | 5440 |
Мановакуумметры ТМВ серии 20
| Тип | Диаметр корпуса | Класс точности | Диапазон показаний давлений, МПа | Резьба присоединения | Присоединение (расположение штуцера) |
Цена с НДС, руб. |
|---|---|---|---|---|---|---|
|
|
63 | 1,5 | −0,1…0,15 / 0,3 / 0,5 / 0,9 / 1,5 / 2,4 | G¼ / М12×1,5 |
радиальное | 940 |
| осевое | 1120 | |||||
| радиальное байонет | 1285 | |||||
| осевое байонет | 1295 | |||||
|
|
100 | 1 | G½ / М20×1,5 | радиальное | 2865 | |
| осевое или эксцентрическое | 3115 | |||||
|
|
1 | радиальное | 5520 | |||
| эксцентрическое | 5440 |
* — под заказ
Дополнительные опции
| Наименование услуги | Тип | Цена с НДС, руб. |
|---|---|---|
| Безопасное стекло (триплекс), с установкой |
ТМ (ТВ, ТМВ)-320 Байонет | 315 |
| ТМ (ТВ, ТМВ)-520 | ||
| ТМ (ТВ, ТМВ)-620 | 395 | |
| Стрелка с корректором нуля, с установкой | ТМ (ТВ, ТМВ)-520, 620 | 145 |
| Объединение с разделителем РМ (РМ-Н11, РМ-С10, РМ-В10, РМ-Х11, РМ-С21) | ТМ (ТМВ)-320, 520, 620 (кроме завальцованных) | 230 |
| ТМ (ТМВ)-320, 520, 620 (кроме завальцованных) + рукав | 500 | |
| Объединение с разделителем РМ-СВ11 | ТМ (ТМВ) Ø50, 63 | 230 |
| Объединение с разделителем РМ-ФМ41 | ТМ | 310 |
| Объединение с разделителем РМ |
ТМ (ТМВ)-320, 520, 620 (кроме завальцованных) | 310 |
| Фланец, с установкой | задний для ТМ (ТВ, ТМВ)-320Р, -320Т передний для ТМ (ТВ, ТМВ)-320Т | 80 |
| 240 | ||
| передний для ТМ (ТВ, ТМВ)-520Т | 320 | |
| 415 | ||
| передний для ТМ (ТВ, ТМВ)-620Т | 440 | |
| Скоба, тип 1 (прямая) | ТМ (ТВ, ТМВ)-220Т, -320Т | 90 |
| Скоба, тип 2 (баттерфляй) | ТМ (ТВ, ТМВ)-320Т | 115 |
| Скоба, с установкой | ТМ (ТВ, ТМВ)-520Т | 160 |
| ТМ (ТВ, ТМВ)-620Т | 285 | |
| Указатель предельных значений (нержавеющая сталь) | ТМ (ТВ, ТМВ)-520, -620 | 120 |
| Указатель рабочего давления (1 маркер / 2 маркера на циферблате), с установкой | ТМ (ТВ, ТМВ)-520, -620 | 40 / 50 |
| ТМ (ТВ, ТМВ)-220, -320 | 165 / 175 | |
| Контрольная стрелка, с установкой | ТМ-520 | 860 |
| ТМ-620 | 970 | |
| Исполнение корпуса с IP66 | ТМ (ТВ, ТМВ)-520, -620 | +10% к стоимости прибора |
| Исполнение штуцера с резьбой NPT | ТМ (ТВ, ТМВ) | +10% к стоимости прибора |
| Индивидуальная шкала | ТМ (ТВ, ТМВ)-220, -320 | 175 |
| ТМ (ТВ, ТМВ)-520, -620 | +10% к стоимости прибора | |
| Фосфоресцирующая шкала и стрелка | ТМ (ТВ, ТМВ)-520 | 440 |
| Свидетельство о поверке к нумерованному прибору | ТМ (ТВ, ТМВ) | 130 |
| Протокол поверки к нумерованному прибору | ТМ (ТВ, ТМВ) | 130 |
| Индивидуальный паспорт на нумерованный прибор | ТМ (ТВ, ТМВ) | 100 |
| Обезжиривание прибора под кислород (+паспорт +знак О2 на циферблате) | ТМ (ТВ, ТМВ) без гидрозаполнения, кроме ТМ (ТВ, ТМВ)-220, -320 | 160 |
| ТМ (ТВ, ТМВ)-220, -320 | 320 | |
| Нанесение на циферблат индивидуальных знаков | ТМ (ТВ, ТМВ), кроме ТМ (ТВ, ТМВ)-220, -320 | 25 |
| ТМ (ТВ, ТМВ)-220, -320 | 165 | |
| Первичная заводская поверка | ТМ (ТВ, ТМВ) | бесплатно |
| Периодическая поверка | ТМ (ТВ, ТМВ) | 180 |
| Пломбировка манометра (под заказ) | ТМ (ТВ, ТМВ)-520, -620 | 65 |
| Ремонт (кроме ТМ-220) | ТМ (0–1,6 МПа) | от 210 |
| ТМ (2,5–40 МПа) | от 255 | |
| ТМ (60–100 МПа) | от 315 | |
| ТВ | от 210 | |
| ТМВ | от 285 | |
| Ремонт (завальцованные ТМ) | ТМ (0-1,6МПа) | от 320 |
| ТМ (2,5–40 МПа) | от 365 | |
| ТМ (60–100 МПа) | от 405 | |
| ТВ | от 320 | |
| ТМВ | от 325 | |
| Очистка прибора от загрязнений (мазут, краска и пр.) | ТМ (ТВ, ТМВ) | индивидуально |
Приборы продаются «сухими», готовыми к гидрозаполнению (глицерином или силиконом).
| Диаметр корпуса, мм | Объем жидкости в приборе, мл | Цена заполнения прибора, с НДС, руб |
Цена слива прибора, с НДС, руб. |
||
|---|---|---|---|---|---|
| глицерин ПК-94 | силикон ПМС-50 | глицерин ПК-94 | силикон ПМС-50 | ||
| 50 | 35 | 35 | 55 | 145 | 420 |
| 63 | 60 | 40 | 65 | ||
| 100 | 260 | 85 | 215 | ||
| 150 | 640 | 180 | 495 | ||

| Тип | Ø | D1 | D2 | b | e | h | k | S | G | d1 | f1 | f2 | f3 | f4 | Вес | Вес с заполнением | Объем заполняемой жидкости |
|---|---|---|---|---|---|---|---|---|---|---|---|---|---|---|---|---|---|
| ТМ-220Р | 50 | 57 | 52 | 29 | 6 | 47 | 8 | 14 | G¼ или M12×1,5 | — | — | — | — | — | 0,09 | 0,13 | 35 |
| ТМ-320Р | 63 | 68 | 62 | 57 | 9 | 0,12 | 0,19 | 60 | |||||||||
| ТМ-320Р Байонет | 70 | 65 | 31 | 11 | 60 | 11 | 0,15 | 0,22 | |||||||||
| ТМ-320РКТ | 68 | 62 | 29 | 6 | 57 | 9 | 4,5 | 1 | 85 | 75 | 78 | 0,15 | 0,22 | ||||
| ТМ-320РКТ Байонет | 70 | 65 | 31 | 11 | 60 | 11 | 0,18 | 0,25 | |||||||||
| ТМ-520Р | 100 | 111 | 99 | 48 | 17 | 85 | 14 | 22 | G½ или M20×1,5 | — | 3 | — | — | — | 0,46 | 0,77 | 260 |
| ТМ-520РКТ | 7 | 132 | 116 | 121 | 0,53 | 0,84 | |||||||||||
| ТМ-620Р | 150 / 160* | 161 | 149 | 50 | 18 | 116 | 16 | — | — | — | — | — | 0,69 | 1,46 | 640 | ||
| ТМ-620РКТ | 5,5 | 4 | 180 | 166 | 171 | 0,79 | 1,56 |
* — под заказ

| Тип | Ø | D1 | D2 | b | b2 | e | S | G | d1 | f1 | f2 | f3 | f4 | c1 | c3 | c4 | c5 | c6 | Вес | Вес с заполнением | Объем заполняемой жидкости | |
|---|---|---|---|---|---|---|---|---|---|---|---|---|---|---|---|---|---|---|---|---|---|---|
| ТМ-220Т | 50 | 57 | 52 | 29 | 55 | — | 6 | 14 | G¼ или M12×1,5 | — | — | — | — | — | — | — | — | — | — | 0,09 | 0,13 | 35 |
| ТМ-220ТС тип 1 | 35 | 83 | 32 | 71 | 14 | 0,11 | 0,15 | |||||||||||||||
| ТМ-320Т | 63 | 68 | 62 | 30 | 52 | — | — | — | — | — | 0,11 | 0,18 | 60 | |||||||||
| ТМ-320Т Байонет | 70 | 60 | 55 | 11 | 0,15 | 0,22 | ||||||||||||||||
| ТМ-320ТКТ | 68 | 62 | 52 | 6 | 4,5 | 1 | 85 | 75 | 78 | 0,14 | 0,21 | |||||||||||
| ТМ-320ТКТ Байонет | 70 | 60 | 55 | 11 | 0,18 | 0,25 | ||||||||||||||||
| ТМ-320ТКП | 68 | 62 | 52 | 25 | 6 | — | 0,14 | 0,21 | ||||||||||||||
| ТМ-320ТС тип 1 | — | — | — | — | — | 35 | 83 | 32 | 71 | 14 | 0,13 | 0,20 | ||||||||||
| ТМ-320ТС тип 2 | 15 | 86 | 15 | 72 | — | 0,15 | 0,22 |

| Тип | Ø | D1 | D2 | b | b2 | k1 | e | S | G | d1 | f1 | f2 | f3 | f4 | c1 | c2 | c3 | c4 | c5 | Вес | Вес с заполнением | Объем заполняемой жидкости | |
|---|---|---|---|---|---|---|---|---|---|---|---|---|---|---|---|---|---|---|---|---|---|---|---|
| ТМ-520Т | 100 | 111 | 99 | 45 | 84 | — | — | 16 | 22 | G½ или M20×1,5 | — | — | — | — | — | — | — | — | — | — | 0,51 | 0,82 | 260 |
| ТМ-520ТКП | 23 | 5,5 | 132 | 116 | 0,56 | 0,87 | |||||||||||||||||
| ТМ-520ТКТ | — | 7 | 3 | 121 | 0,59 | 0,90 | |||||||||||||||||
| ТМ-520ТЭ | 40 | 74 | 29 | — | — | — | — | — | 0,39 | 0,70 | |||||||||||||
| ТМ-520ТЭКП | 23 | 5,5 | 132 | 116 | 0,44 | 0,75 | |||||||||||||||||
| ТМ-520ТЭКТ | — | 7 | 3 | 121 | 0,46 | 0,77 | |||||||||||||||||
| ТМ-520ТЭС | — | — | — | — | — | 30 | 38 | 128 | 26 | 50 | |||||||||||||
| ТМ-620ТЭ | 160 | 161 | 158 | 51 | 88 | — | 27 | 17 | — | — | — | — | — | — | 0,79 | 1,62 | 660 | ||||||
| ТМ-620ТЭКТ | 5,5 | 4 | 180 | 166 | 171 | 0,89 | 1,72 | ||||||||||||||||
| ТМ-620ТЭС | 7 | — | — | — | — | 30 | 39 | 165 | 28 | 105 | 0,93 | 1,76 |

После монтажа необходимо открыть клапан на пробке прибора (положение OPEN) или проколоть/срезать специальный выступ (в зависимости от типа пробки)
Монтаж/демонтаж должен производиться при отсутствии давления в трубопроводе. Прибор должен быть установлен либо в нормальном рабочем положении (положение прибора с вертикальным расположением циферблата (допускаемое отклонение ±5° в любую сторону)), либо в соответствии со знаком рабочего положения, указанном на циферблате.
При монтаже вращать прибор разрешается только за штуцер с помощью гаечного ключа. Прикладывать усилие к корпусу прибора запрещается. Крутящий момент при монтаже не должен превышать 20 Н∙м. Подвод давления осуществляется трубопроводами с внутренним диаметром не менее 3 мм.
При измерении давления среды с температурой, превышающей допускаемую рабочую температуру, необходимо устанавливать перед прибором петлевую трубку или отвод-охладитель.

Для защиты манометра от воздействия пульсаций измеряемой среды рекомендуется использовать демпферное устройство ДУ с регулировочной иглой.
Прибор следует нагружать давлением постепенно и не допускать резких скачков давления; не превышать диапазон измерений. Запрещается использовать растворители и абразивы для очистки стекол.

Типовой узел отбора для подключения манометра состоит из приварной бобышки с площадкой под уплотнительную прокладку, петлевой трубки, трехходового крана или игольчатого клапана. В качестве уплотнения в резьбовых соединениях между приварной бобышкой, краном и манометром рекомендуется применять паронитовую, фторопластовую или медную прокладку.
Для защиты чувствительного элемента манометра или датчика давления от контакта с агрессивной, вязкой или абразивной измеряемой средой рекомендуется устанавливать прибор в сборе с мембранным разделителем сред, заполненным разделительной жидкостью.
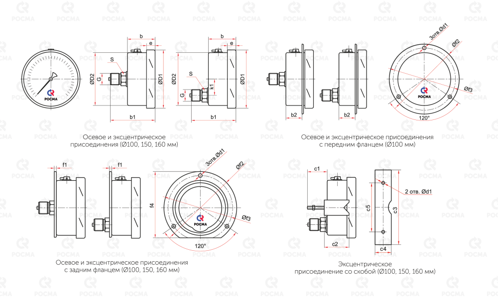
При монтаже манометров в щитах, панелях, стенах или прочих поверхностях рекомендуется использовать фланцы и скобы.
Прибор необходимо исключить из эксплуатации и сдать в ремонт в случае, если: прибор не работает; стекло разбито или повреждено; стрелка движется скачками или не возвращается к нулевой отметке; погрешность показаний превышает допустимое значение. При отсутствии давления стрелка должна находиться в пределах участка нулевой отметки. Отклонение стрелки за пределы этого участка свидетельствует о неисправности прибора.
После монтажа необходимо открыть клапан на пробке прибора (положение OPEN) или проколоть/срезать специальный выступ (в зависимости от типа пробки).

| Тип | манометр | ТМ |
| вакуумметр | ТВ | |
| мановакуумметр | ТМВ | |
| Диаметр корпуса, мм | 50 | 2 |
| 63 | 3 | |
| 100 | 5 | |
| 150, 160 | 6 | |
| Материал корпуса | нержавеющая сталь |
2 |
| Материал штуцера и чувствительного элемента | медный сплав | 0 |
| Присоединение (расположение штуцера) | радиальное | Р |
| радиальное с задним фланцем |
РКТ | |
| осевое | Т | |
| осевое со скобой | ТС | |
| осевое с передним фланцем | ТКП | |
| осевое с задним фланцем | ТКТ | |
| эксцентрическое | ТЭ | |
| эксцентрическое со скобой | ТЭС | |
| эксцентрическое с передним фланцем |
ТЭКП | |
| эксцентрическое с задним фланцем |
ТЭКТ | |
| Гидрозаполнение | нет | 0 |
| глицерин | 1 | |
| силикон | 2 | |
| Электроконтактная приставка | нет | 0 |
| Диапазон показаний давлений, МПа | ТМ | 0...0,1 / 0,16 / 0,25 / 0,4 / 0,6 / 1 / 1,6 / 2,5 / 4 / 6 / 10 / 16 / 25 / 40 / 60 / 100 |
| ТВ | −0,1…0 | |
| ТМВ | −0,1…0,15 / 0,3 / 0,5 / 0,9 / 1,5 / 2,4 | |
| Резьба присоединения | Ø50, 63 |
G¼ / М12×1,5 |
| Ø100, 150, 160 |
G½ / М20×1,5 | |
| Класс точности | Ø50 | 2,5 |
| Ø63 | 1,5 | |
| Ø100, 150, 160 |
1,0 | |
| Опция | Ø63 | — |
| Байонет |
Пример обозначения:
ТМ − 520Р. 10 (0–1 МПа) G½. 1,0
| Росма | Манотомь | Wika | Физтех | БД | Метер | Юмас |
|---|---|---|---|---|---|---|
| ТМ-320 | ДМ-8032-ВУ | 213.53 | ДМ-8008 Вуф | ДМ-2-63 | ДМ93-63 | МП63НЛ |
| ДМ-8008-ВУ М-3ВУ | 213.53 | МП100Н |
Мембранные разделители сред, штуцерное присоединение
Мембранные малогабаритные разделители сред, штуцерное присоединение
Мембранные разделители сред химически стойкие, штуцерное присоединение
Мембранные разделители сред, присоединение с фронтальной (открытой) мембраной
Мембранные разделители сред, фланцевое присоединение
Мембранные разделители сред, фланцевое присоединение с молочной гайкой
Мембранные разделители сред, штуцерное присоединение с клэмповым хомутом
Кран трёхходовой с фторопластовой прокладкой и натяжной гайкой
Одновентильный игольчатый клапан SS-V4 до 40 МПа
Одновентильный игольчатый клапан SS-2V4 до 60 МПа
Одновентильный игольчатый клапан высокого давления КВД100 до 100 МПа
Двухвентильный игольчатый клапан SS-2R до 40 МПа
Шаровый газовый трехходовой кран
Бобышки из углеродистой стали
Переходники из латуни или нержавеющей стали
Быстрозажимной патрон
Петлевые трубки
Отводы-охладители
Резьбовые заглушки
Фланцы и скобы для манометров
Уплотнительные кольца для манометров
Фторопластовые и паронитовые прокладки для манометров
Указатели предельных значений
Контрольная стрелка (ябедник) для манометров ТМ
Кронштейн для крепления к стене с переходником