Фитинги резьбовые с накидной гайкой

Фитинг резьбовой с накидной гайкой M20x1,5, нерж
1 из 2
Резьбовые фитинги предназначены для присоединения манометров или датчиков давления к системе, либо для соединения участков импульсных линий между собой. Наличие накидной гайки позволяет установить измерительный прибор в требуемом положении без использования дополнительных прокладок или перетягивания резьбы.
Рабочее давление, МПа
40
Материал
Нержавеющая сталь 08Х18Н10
Резьба присоединения к прибору
Накидная гайка с внутренней резьбой: G½ или M20x1,5
Резьба присоединения к процессу
Наружная: G½ или M20x1,5
Максимальный вес, кг
0,18 (G½)
0,14 (M20x1,5)
Техническая документация
ТУ 4218-001-4719015564-2015
Цена
| Наименование | Резьба присоединения | Цена с НДС, руб. |
|---|---|---|
| Фитинг резьбовой с накидной гайкой, нерж. | М20х1,5 - М20х1,5 (внутр. накидная гайка - наруж.), нерж. |
990 |
| G½ - G½ (внутр. накидная гайка - наруж.), нерж. | 1060 |
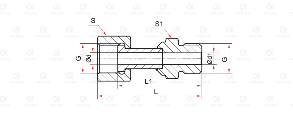
Чертежи

| G | S | S1 | L | L1 | d | d1 |
|---|---|---|---|---|---|---|
| G½ | 27 | 24 | 72 | 59 | 8,5 | 8 |
| M20x1,5 | 24 | 22 | 61 | 10 |
Карта заказа
| Тип | Фитинг резьбовой | |
| Резьба присоединения | G½ | |
| M20×1,5 | ||
| Исполнение (резьба) | внутренняя, накидная гайка — наружная | внутр. накидная гайка - наруж. |
| Материал | нержавеющая сталь | нерж. |
Пример обозначения:
Фитинг резьбовой М20х1,5 - М20х1,5 (внутр. накидная гайка - наруж.), нерж.
Это оборудование используют с КИП
Коррозионностойкие точных измерений с корректировкой нуля
Аммиачные
Коррозионностойкие виброустойчивые
Коррозионностойкие виброустойчивые, безопасное исполнение
Коррозионностойкие виброустойчивые, с защитой от перегрузки
Коррозионностойкие виброустойчивые с электроконтактной приставкой
Коррозионностойкие аммиачные
Коррозионностойкие для измерения низких давлений газов
Коррозионностойкие (осевое присоединение)
Коррозионностойкие (радиальное присоединение)
Коррозионностойкие (универсальное присоединение)
Коррозионностойкие с возможностью гидрозаполнения силиконом (осевое присоединение)
Коррозионностойкие с возможностью гидрозаполнения силиконом (радиальное присоединение)
Коррозионностойкие с электроконтактной приставкой (универсальное присоединение)
Датчики давления РПД-И (РПД-В, РПД-ИВ)
Датчики давления РПД-И-ФМ с фронтальной мембраной
Датчики РПД-Д дифференциального давления